熱門文章
popular articles13450008977
2019-11-14 編輯:雷寧普 閱讀量:2553
廣東雷寧普檢測是專業第三方防雷檢測機構,實驗室具備GB/T 18802.21、IEC/EN 61643-21標準檢測資質,可提供信號浪涌保護器防雷檢測、型式試驗、委托測試服務。

電子線路最有效的防雷措施是在線路上靠近設備側安裝SPD。現對信號型SPD總體設計原理進行分析,然后給出適用于模擬/數字信號線路保護的二線制、三線制、四線制信號線路SPD。主要利用前級的GDT防護電路抑制共模電涌電壓,利用GDT與TVS管組成的兩級防護電路抑制差模電涌電壓。設計了對地細保護信號線路SPD和防爆型信號線路SPD,最后進行了信號線路SPD防護模塊熱插拔試驗。
2.4 退耦元件
為使兩級保護電路實現有效配合,需在兩級保護電路間串接退耦元件,常用退耦元件有電阻和電感。阻值的確定至關重要,要在兩級防護電路有效配合的條件下,盡可能降低電阻對信號傳輸的不利影響。理論上可通過下式計算阻值:

式中,為線路上感應到的雷擊電涌電壓幅值,由于其難以測量,常用GDT的沖擊擊穿電壓取代;Uc為TVS擊穿后的最大鉗位電壓;,PP為Tvs擊穿后的最大脈沖電流峰值。
在選擇電阻時應注意:盡量選擇抗沖擊能力強的大功率電阻;選擇線性電阻,對信號傳輸的不利影響較小。分別選擇阻值為0、1.0Q、2.2Q、3.0Q、4.7Q、6.0n的電阻作為退耦電阻,在幅值為6kv/3kA的1.2/50s(8/20s)復合波沖擊下,本試品兩級保護電路的通流量試驗參數如表1所示。

由表1可知,當阻值小于或等于1Q時,兩級防護電路不能有效配合,前級GDT沒有動作,后級TVs會因承受過大的電涌電流沖擊而損壞;在2.2n附近時,兩級防護電路實現有效配合。電阻過大會加大對被保護系統傳輸信號的不利影響,綜合考慮,退耦電阻阻值選為2.2n。
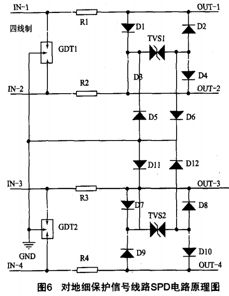
2.5 對地細保護信號線路SPD設計
當被保護信號線路需要對地細保護時,以圖4中四線制信號線路SPD為例,改進電路原理圖如圖6所示,對共模電涌電壓的防護也是由GDT與TVS組成兩級防護電路完成。

2.6 防爆型信號線路SPD設計
由于石油化工、天然氣行業對防爆要求較高,為了滿足本質安全型SPD對線一地間絕緣電壓的設計要求,以圖3中三線制信號線路SPD為例,改進電路原理圖如圖7所示,將原有的直流擊穿電壓為90V的三極GDT1、GDT2更換為直流擊穿電壓為600V的三極GDT,線一地絕緣電壓為600V,滿足設計要求;線一線間GDT保護電路動作電壓高達600V,難以與后級Tvs實現能量匹配,需在線一線間再并接直流擊穿電壓為90V的兩極GDT3、GDT4,這樣還能有效提高GDT保護電路對差模電涌電壓的抑制效果。

3 信號線路SPD防護模塊熱插拔試驗
信號線路SPD設計成螺絲端子接線,導軌接地安裝模式,能兼容二線制、三線制及四線制設計,節省了產品生產成本,減小了安裝空間。電涌防護模塊設計成支持熱插拔模式,可將保護模塊拔出單獨監測或更換,并且拔出后底座不斷電,基本不影響被保護系統信號傳輸,提高了安裝、在線檢測效率。為驗證信號線路SPD電涌防護模塊在插拔時不影響被保護系統信號傳輸,將SPD底座與溫度變送器按照圖8設計,利用示波器測量溫度變送器的輸出電壓。SPD底座沒有插入防護模塊時,示波器輸出為0.4V,溫度變送器輸出正常,報警燈滅。

將塑料板插入一拔出一插入SPD底座,測量溫度變送器的輸出變化。當塑料空白板插入SPD底座時,示波器輸出由0.4V跳變至2.1v,溫度變送器輸出異常,報警燈亮;在拔出塑料板后,示波器輸出恢復至0.4V,溫度變送器輸出正常,報警燈滅。
說明插入塑料板后回路電阻突然增大,導致溫度變送器輸出電壓值發生較大幅度增大。
將防護模塊插入一拔出一插入SPD底座,測量溫度變送器的輸出變化。SPD內阻為1n/線,在防護模塊插入一拔出一插入SPD底座過程中,對回路電阻影響較小,示波器電壓值變化很小,僅為毫安級,說明防護模塊插拔對溫變傳輸基本無影響。
4 結論
本文所研究的信號線路SPD具有以下關鍵技術特點:
(1) 應用范圍廣,具有5VDC/24VDC工作電壓可選,適用于二線制、三線制及四線制模擬/數字信號線路電涌防護,并具有對地細保護及本質安全型兩種特殊型號,可廣泛用于工業自動化控制系統電子設備的電涌防護,如傳感器、變送器、流量計、電磁閥及采用端子接線形式的總線接口設備等。
(2) 電涌抑制能力較強,在8/20s雷電流波形沖擊下標稱放電電流為10kA,最大放電電流達20kA,并且具有較低的輸出電壓值。
(3) 采用接地導軌安裝,防雷接地便捷,節省了費用與安裝空間。
(4) 電涌防護模塊設計成支持熱插拔模式,通過試驗證明防護模塊拔出后不斷線,可單獨監測,維護方便。
相關文章